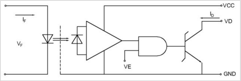
金属陶瓷高速光耦

产品特点

» 电源电压:2V~20V

» 隔离电压:1000V

» 最高速度:10Mbit/s

» 静电等级:1000V

分类:

相关产品

 
 

 

主要参数特性

 

产品应用

» 视频信号隔离

» 电机驱动电路

» 实时控制电路

» 开关型电源中反馈元件